Siemens LZS:RT3B4S15 Steckrelais kpl 1We AC115V LED rot Sockel log.Trenn. Schraub

Hersteller-Nr. LZS:RT3B4S15 1482795
Ihr Nettopreis
Verpackungseinheit
5 Stück
Art.-Nr.
7000427
EAN
4011209674707
DEHA.-Nr.
2674003
eClass.-Nr.
27371601
Zolltarif-Nr.
85364900
Zum Sortiment
Siemens
Verfügbarkeit am Fremdlager
wird ermittelt

Verfügbarkeit beim Hersteller anfragen
Ausführung des elektrischen Anschlusses Schraubanschluss
Komplettgerät mit Sockel true
Mit abnehmbaren Klemmen false
Mit LED-Anzeige true
Spannungsart zur Betätigung AC
Antrieb, Polung gepolt
Schaltverhalten des Antriebs monostabil
Anzahl der Kontakte als Öffner 0
Anzahl der Kontakte als Schließer 0
Anzahl der Kontakte als Wechsler 1
Mit zwangsgeführten Kontakten false
Schutzart (IP) IP20
Breite 15,5 mm
Höhe 77 mm
Tiefe 71 mm

    Steckrelais Komplettgerät


    Das Steckrelais Komplettgerät ist ideal zum Schalten kleiner Lasten und dient als Potentialumschaltung mit einer werkzeuglosen Verdrahtung.



    Technische Details:



    • 1 Wechsler, AC 115 V

    • LED-Modul rot

    • Sockel mit logischer Trennung

    • Schraubanschluss

    • 3,5 mm Pinning Koppelrelais mit Steckrelais SIRIUS LZS

    • Kontaktvervielfachung und galvanische Trennung

    • Geprüft nach AC-15 und DC-13

    • Hartvergoldete Kontakte für optimale Zusammenarbeit mit elektronischen Steuerungen

    • Verfügbar als Komplettgeräte oder Einzelmodule in den Bauformen RT, PT und MT

    • Verschiedene Spulenspannungen

    • Verschiedene Anschlussarten: Schraubanschluss oder Push-In

    • Umfangreiches Zubehör erhältlich, einschließlich Stecksockel und LED-Module



    Kunden Vorteile:



    • Werkzeuglose Verdrahtung spart Zeit und Aufwand.

    • Rüttelsichere Verbindung durch Push-in-Federzugklemmen.

    • Unkomplizierte Verdrahtung durch den Sockel mit logischer Trennung.

    • Flexibilität durch verschiedene Bauformen und Spulenspannungen.

    • Umfangreiches Zubehör ermöglicht individuelle Anpassungen.

    • Bietet eine zuverlässige und sichere Lösung für diverse Schaltanwendungen.

3D / BIM Objekt

Download (Stand: 11.10.2025)

DOC CE-Erklärung

Download (Stand: 11.10.2025)

Deeplink Produktseite

Download (Stand: 11.10.2025)

Explosionszeichnung

Download (Stand: 11.10.2025)

Flussdiagramm

Download (Stand: 11.10.2025)

Maßzeichnung

Download (Stand: 11.10.2025)

Produktdatenblatt

Download (Stand: 11.10.2025)

Produktdatenblatt

Download (Stand: 11.10.2025)

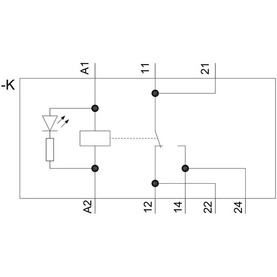
Schaltbild

Download (Stand: 11.10.2025)

Technische Information

Download (Stand: 11.10.2025)

Verkaufsprospekt

Download (Stand: 11.10.2025)

Zertifikat

Download (Stand: 11.10.2025)

Produktvideo

hochgeladen am 11.10.2025


Unsere Empfehlungen für Sie.


5 / 504 / 50402 / 5040203 (1482795)