Siemens 3RH2131-1WB40 Koppelhilfssch tz 3S+1 DC 24V S00 Schraub Varistor

Hersteller-Nr. 3RH21311WB40 171122
Ihr Nettopreis
Verpackungseinheit
1 Stück
Art.-Nr.
2731284
EAN
4011209846890
DEHA.-Nr.
3493533
eClass.-Nr.
27371001
Zolltarif-Nr.
85364190
Zum Sortiment
Siemens
Verfügbarkeit am Fremdlager
wird ermittelt

Verfügbarkeit beim Hersteller anfragen
Bemessungssteuerspeisespannung Us bei DC 24 - 24 V
Spannungsart zur Betätigung DC
Bemessungsbetriebsstrom Ie, 400 V 3 A
Mit LED-Anzeige false
Handbedienung false
Schnittstelle false
Anzahl der Hilfskontakte als Öffner 1
Anzahl der Hilfskontakte als Schließer 3
Anschlussart Hilfsstromkreis Schraubanschluss

    Koppelhilfsschütz, 3 S + 1 Ö, DC 24 V


    Der Koppelhilfsschütz SIRIUS 3RH2 dient zum Schalten der Steuersignale im Steuerstromkreis und ermöglicht eine direkte Anschlussmöglichkeit an elektronische Steuerungen.


    Technische Details:



    • Baugröße: S00

    • Spannungsversorgung: DC 24 V

    • Schaltleistung: 0,85 ... 1,85* US

    • Mit Varistor aufgesteckt

    • Normgerechte Anschlussbezeichnungen

    • Verfügbar mit Schraub- oder Federzuganschluss

    • Klimafest und für den weltweiten Einsatz geeignet (IEC, UL/CSA)

    • Wahlweise AC- oder DC-Betätigung

    • Ausgangsvervielfältigung für mehrere Hilfsstromkreise

    • Vorhanden in SUVA-Varianten für Safety-Anwendungen

    • Kompatibel mit Zubehör der Schütze 3RT2 für Baugrößen S00 bis S3


    Kunden Vorteile:



    • Zuverlässige und zeitsparende Anschlusstechnik

    • Hohe Kontaktzuverlässigkeit

    • Einfaches und effizientes Design

    • Aktuelle Technologien durch SIRIUS Systembaukasten

    • Geeignet für anspruchsvolle Sicherheitsanwendungen


    Haftungsausschluss: Generiert durch KI.

Ihr Nettopreis
Bestand
nicht verfügbar
Bitte geben Sie eine Menge > 0 ein. Bitte geben Sie ein Vielfaches der Verpackungseinheit 1 ein
Ihr Nettopreis
Bestand
nicht verfügbar
Bitte geben Sie eine Menge > 0 ein. Bitte geben Sie ein Vielfaches der Verpackungseinheit 1 ein
Ihr Nettopreis
Bestand
nicht verfügbar
Bitte geben Sie eine Menge > 0 ein. Bitte geben Sie ein Vielfaches der Verpackungseinheit 1 ein
Ihr Nettopreis
Bestand
nicht verfügbar
Bitte geben Sie eine Menge > 0 ein. Bitte geben Sie ein Vielfaches der Verpackungseinheit 1 ein
Ihr Nettopreis
Bestand
nicht verfügbar
Bitte geben Sie eine Menge > 0 ein. Bitte geben Sie ein Vielfaches der Verpackungseinheit 1 ein
Ihr Nettopreis
Bestand
verfügbar
Bitte geben Sie eine Menge > 0 ein. Bitte geben Sie ein Vielfaches der Verpackungseinheit 1 ein
Ihr Nettopreis
Bestand
nicht verfügbar
Bitte geben Sie eine Menge > 0 ein. Bitte geben Sie ein Vielfaches der Verpackungseinheit 1 ein
Ihr Nettopreis
Bestand
nicht verfügbar
Bitte geben Sie eine Menge > 0 ein. Bitte geben Sie ein Vielfaches der Verpackungseinheit 1 ein
Ihr Nettopreis
Bestand
verfügbar
Bitte geben Sie eine Menge > 0 ein. Bitte geben Sie ein Vielfaches der Verpackungseinheit 1 ein
Ihr Nettopreis
Bestand
verfügbar
Bitte geben Sie eine Menge > 0 ein. Bitte geben Sie ein Vielfaches der Verpackungseinheit 1 ein
Ihr Nettopreis
Bestand
nicht verfügbar
Bitte geben Sie eine Menge > 0 ein. Bitte geben Sie ein Vielfaches der Verpackungseinheit 1 ein
Ihr Nettopreis
Bestand
nicht verfügbar
Bitte geben Sie eine Menge > 0 ein. Bitte geben Sie ein Vielfaches der Verpackungseinheit 1 ein
Ihr Nettopreis
Bestand
verfügbar
Bitte geben Sie eine Menge > 0 ein. Bitte geben Sie ein Vielfaches der Verpackungseinheit 1 ein
Ihr Nettopreis
Bestand
nicht verfügbar
Bitte geben Sie eine Menge > 0 ein. Bitte geben Sie ein Vielfaches der Verpackungseinheit 1 ein
Ihr Nettopreis
Bestand
nicht verfügbar
Bitte geben Sie eine Menge > 0 ein. Bitte geben Sie ein Vielfaches der Verpackungseinheit 1 ein
Ihr Nettopreis
Bestand
nicht verfügbar
Bitte geben Sie eine Menge > 0 ein. Bitte geben Sie ein Vielfaches der Verpackungseinheit 1 ein
Ihr Nettopreis
Bestand
nicht verfügbar
Bitte geben Sie eine Menge > 0 ein. Bitte geben Sie ein Vielfaches der Verpackungseinheit 1 ein
Ihr Nettopreis
Bestand
verfügbar
Bitte geben Sie eine Menge > 0 ein. Bitte geben Sie ein Vielfaches der Verpackungseinheit 1 ein
Ihr Nettopreis
Bestand
nicht verfügbar
Bitte geben Sie eine Menge > 0 ein. Bitte geben Sie ein Vielfaches der Verpackungseinheit 1 ein
Ihr Nettopreis
Bestand
nicht verfügbar
Bitte geben Sie eine Menge > 0 ein. Bitte geben Sie ein Vielfaches der Verpackungseinheit 1 ein
Ihr Nettopreis
Bestand
verfügbar
Bitte geben Sie eine Menge > 0 ein. Bitte geben Sie ein Vielfaches der Verpackungseinheit 1 ein
Ihr Nettopreis
Bestand
nicht verfügbar
Bitte geben Sie eine Menge > 0 ein. Bitte geben Sie ein Vielfaches der Verpackungseinheit 1 ein
Ihr Nettopreis
Bestand
verfügbar
Bitte geben Sie eine Menge > 0 ein. Bitte geben Sie ein Vielfaches der Verpackungseinheit 1 ein
Ihr Nettopreis
Bestand
nicht verfügbar
Bitte geben Sie eine Menge > 0 ein. Bitte geben Sie ein Vielfaches der Verpackungseinheit 1 ein
Ihr Nettopreis
Bestand
nicht verfügbar
Bitte geben Sie eine Menge > 0 ein. Bitte geben Sie ein Vielfaches der Verpackungseinheit 1 ein
Ihr Nettopreis
Bestand
nicht verfügbar
Bitte geben Sie eine Menge > 0 ein. Bitte geben Sie ein Vielfaches der Verpackungseinheit 1 ein
Ihr Nettopreis
Bestand
nicht verfügbar
Bitte geben Sie eine Menge > 0 ein. Bitte geben Sie ein Vielfaches der Verpackungseinheit 1 ein
Ihr Nettopreis
Bestand
nicht verfügbar
Bitte geben Sie eine Menge > 0 ein. Bitte geben Sie ein Vielfaches der Verpackungseinheit 1 ein
Ihr Nettopreis
Bestand
nicht verfügbar
Bitte geben Sie eine Menge > 0 ein. Bitte geben Sie ein Vielfaches der Verpackungseinheit 1 ein
Ihr Nettopreis
Bestand
nicht verfügbar
Bitte geben Sie eine Menge > 0 ein. Bitte geben Sie ein Vielfaches der Verpackungseinheit 1 ein
Ihr Nettopreis
Bestand
nicht verfügbar
Bitte geben Sie eine Menge > 0 ein. Bitte geben Sie ein Vielfaches der Verpackungseinheit 1 ein
Ihr Nettopreis
Bestand
nicht verfügbar
Bitte geben Sie eine Menge > 0 ein. Bitte geben Sie ein Vielfaches der Verpackungseinheit 1 ein
Ihr Nettopreis
Bestand
nicht verfügbar
Bitte geben Sie eine Menge > 0 ein. Bitte geben Sie ein Vielfaches der Verpackungseinheit 1 ein
Ihr Nettopreis
Bestand
nicht verfügbar
Bitte geben Sie eine Menge > 0 ein. Bitte geben Sie ein Vielfaches der Verpackungseinheit 1 ein
Ihr Nettopreis
Bestand
verfügbar
Bitte geben Sie eine Menge > 0 ein. Bitte geben Sie ein Vielfaches der Verpackungseinheit 1 ein

3D / BIM Objekt

Download (Stand: 11.10.2025)

Anschlussbild

Download (Stand: 11.10.2025)

DOC CE-Erklärung

Download (Stand: 11.10.2025)

Deeplink Produktseite

Download (Stand: 11.10.2025)

EPD-Erklärung

Download (Stand: 11.10.2025)

Explosionszeichnung

Download (Stand: 11.10.2025)

Maßzeichnung

Download (Stand: 11.10.2025)

Produktdatenblatt

Download (Stand: 11.10.2025)

Produktdatenblatt

Download (Stand: 11.10.2025)

Produktpräsentation

Download (Stand: 11.10.2025)

REACH-Erklärung

Download (Stand: 11.10.2025)

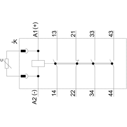
Schaltbild

Download (Stand: 11.10.2025)

Technische Information

Download (Stand: 11.10.2025)

Verkaufsprospekt

Download (Stand: 11.10.2025)

Zertifikat

Download (Stand: 11.10.2025)

Anwendungsvideo

hochgeladen am 11.10.2025

Frage und Antwort (Q&A Video)

hochgeladen am 11.10.2025

Lehrvideo

hochgeladen am 11.10.2025

Produktvideo

hochgeladen am 11.10.2025


Unsere Empfehlungen für Sie.


5 / 504 / 50401 / 5040102 (171122)