Siemens 3RB3123-4SB0 berlastrelais 3-12A Motor S0 Class 5-30 Sch tzanbau

Hersteller-Nr. 3RB31234SB0 1483222
Ihr Nettopreis
Verpackungseinheit
1 Stück
Art.-Nr.
7000854
EAN
4011209749610
DEHA.-Nr.
3260730
eClass.-Nr.
27371502
Zolltarif-Nr.
85364900
Zum Sortiment
Siemens
Verfügbarkeit am Fremdlager
wird ermittelt

Verfügbarkeit beim Hersteller anfragen
Montageart Einzelaufstellung
Anschlussart Hauptstromkreis Schraubanschluss
Einstellbarer Strombereich 3 - 12 A
Anzahl der Hilfskontakte als Öffner 1
Anzahl der Hilfskontakte als Schließer 1
Anzahl der Hilfskontakte als Wechsler 0
Auslöseklasse einstellbar
Reset-Funktion automatisch true
Reset-Funktion Eingang true

    Überlastrelais 3...12 A elektronisch für Motorschutz


    Das Elektronische Überlastrelais SIRIUS 3RB3 schützt Verbraucher gegen unzulässig hohe Erwärmung und bietet umfangreiche Funktionen für diverse Anwendungen.


    Technische Details:



    • Baugröße S0

    • CLASS 5...30

    • Hand-Automatik-RESET

    • Interne Erdschlusserkennung

    • Große Stromeinstellbereiche

    • Verschiedene Auslösecharakteristiken

    • Weltweite Zulassungen (z.B. IEC und UL/CSA)

    • Geeignet für explosionsgefährdete Applikationen (ATEX)

    • Energieeffiziente Konstruktion mit geringer Verlustleistung

    • Schraub- oder Federzuganschluss


    Kunden Vorteile:



    • Stromabhängiger Schutz vor Überlast und Phasenausfall

    • Abdeckung ganzer Baureihen von Motoren mit wenigen Typen

    • Reduzierte Erwärmung im Schaltschrank

    • Schneller, wartungsfreier und rüttelsicherer Anschluss

    • Erweiterte Funktionalitäten mit integrierten Features

    • Kompatibles Zubehör für alle Baugrößen S00 bis S3

    • Einfach, effizient, immer aktuell - der SIRIUS Systembaukasten in der Anwendung


    Haftungsausschluss: Generiert durch KI.

3D / BIM Objekt

Download (Stand: 11.10.2025)

Anschlussbild

Download (Stand: 11.10.2025)

DOC CE-Erklärung

Download (Stand: 11.10.2025)

Deeplink Produktseite

Download (Stand: 11.10.2025)

Explosionszeichnung

Download (Stand: 11.10.2025)

Maßzeichnung

Download (Stand: 11.10.2025)

Piktogramm / Symbol

Download (Stand: 11.10.2025)

Produktdatenblatt

Download (Stand: 11.10.2025)

Produktdatenblatt

Download (Stand: 11.10.2025)

Produktfamilienansicht

Download (Stand: 11.10.2025)

Produktpräsentation

Download (Stand: 11.10.2025)

REACH-Erklärung

Download (Stand: 11.10.2025)

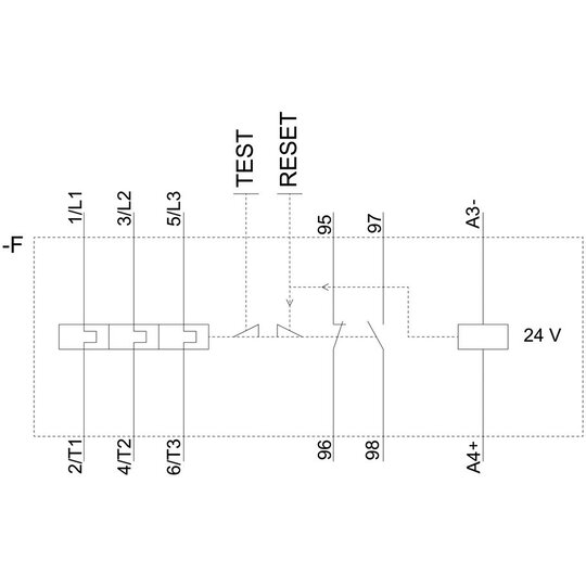
Schaltbild

Download (Stand: 11.10.2025)

Technische Information

Download (Stand: 11.10.2025)

Verkaufsprospekt

Download (Stand: 11.10.2025)

Zertifikat

Download (Stand: 11.10.2025)

Link zum 3D CAD Modell

Download (Stand: 11.10.2025)

Anwendungsvideo

hochgeladen am 11.10.2025

Frage und Antwort (Q&A Video)

hochgeladen am 11.10.2025

Frage und Antwort (Q&A Video)

hochgeladen am 11.10.2025

Lehrvideo

hochgeladen am 11.10.2025

Produktvideo

hochgeladen am 11.10.2025


Unsere Empfehlungen für Sie.


5 / 512 / 51203 / 5120301 (1483222)